|
光通信方式 完全防爆仕様 |
製造元:(株)雄島試作研究所
本品は,光通信方式のエンコーダです.本体には光通信ケーブルより供給される光信号だけなので,原理的に完全防爆であり,高ノイズ・強磁場・高放射線にも強いものになっています.又,長距離の信号伝送でも途中でノイズを拾うこともありません.

■光通信方式の利点

■仕様
| ・分解能 | 3600、1024、1000、500[パルス/回転](オプションで他パルスも可) | |
| ・許容最高回転数 | 3600rpm (オプションで6000rpmも可) | |
| ・電源電圧 | DC12[V] ±10% | |
| ・内部消費電流 | 500[mA]以下 | |
| ・検出方式 | インクリメンタル | |
| ・出力相 | A, B相(50%duty), Z相 | |
| ・出力形態 | 矩形波 | |
| ・最高応答周波数 | 60[kHZ] | |
| ・出力位相差 | A, B位相差90°±45°(T/4±T/8) Z相T±T/2 | |
| ・波形立上り立下り | 200n Sec以下(出力ケーブル1M以下) | |
| ・起動トルク | 200gf-cm以下 | |
| ・軸許容荷重 | ラジアル | 2㎏ |
| スラスト | 1㎏ | |
| ・重量 | エンコーダ本体 | 2.5㎏ |
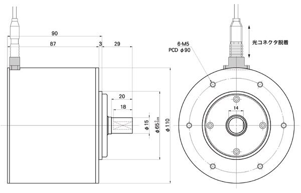
| ・外形寸法 | エンコーダ本体 | φ110×97[mm] |
| ・使用周囲温度/湿度 | 検出部 | 0~60[℃]RH35%~90% 結露しないこと |
| 制御部 | 0~50[℃]RH35%~90% 結露しないこと | |
■エンコーダ本体外径寸法図

■使用例







